YTC750配電網電容電流測試儀是專業用來測試配電網電容電流的一種電力測試儀器,采用大屏幕液晶顯示,中文菜單,操作非常簡便,且體積小、重量輕,便于攜帶進行戶外作業,接線簡單,測試速度快,數據準確性高,大大減輕了試驗人員的勞動強度,提高了工作效率。儀天成電力設備有限公司就配電網電容電流測試儀的面板以及測試說明做以下講解。
控制面板說明:
1:接地端 2:打印機:打印測量數據和波形
3:液晶顯示屏 4:電流輸出端子: 輸出測量信號,接到PT開口三角端
5:測量輸出開關 6: 輸出指示燈
7:復位按鈕 8:旋轉鼠標
測試原理說明:
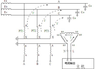
測試儀是從PT 開口三角側來測量配網的電容電流的。其測量原理如圖所示。

在上圖中,從PT開口三角注入一個異頻的電流(非50Hz的交流電流,目的為了消除工頻電壓的干擾),這樣在PT高壓側就感應出一個按變比減小的電流,此電流為零序電流,即其在三相的大小和方向相同,因此它在電源和負荷側均不能流通,只能通過PT和對地電容形成回路,所以上圖又可簡化為下圖。

根據上圖的物理模型就可建立相應的數學模型,通過檢測測量信號就可以測量出三相對地電容值3C0,再根據公式I=3ωC0 Uφ(Uφ為被測系統的相電壓)計算出配網系統的電容電流。